
Key Features
- 1Ensure precise gradual pressure control with this 2/2-way soft-start valve. 2、Enhance system durability via a reliable soft sealing principle. 3、Select from three compact sizes (40/55/66 mm) for space-constrained layouts. 4、Connect easily using five thread options including G and NPT types. 5、Simplify installation with direct-pilot operation for inline mounting.
Technical Specifications
Detailed engineering parameters
| Parameter | Value | Parameter | Value |
|---|---|---|---|
| Exhaust air function | With flow control option | Actuation type | Pneumatic |
| Sealing principle | Soft | Mounting position | Any |
| Manual override | None | Structural design | Piston gate valve |
| Reset method | Mechanical spring | Type of control | Direct |
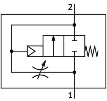
| Flow direction | Non-reversible | Symbol | 00991513 |
| Valve function | 2/2, closed, monostable | Operating pressure | 3bar 16bar |
| b-value | 0.3 | C value | 7.6l/sbar |
| Standard nominal flow rate | 1600l/min | Operating medium | Compressed air as per ISO 8573-1:2010 [7:4:4] Inert gas |
| Information on operating and pilot media | Operation with oil lubrication possible (required for further use) | Corrosion resistance class (CRC) | 2 - Moderate corrosion stress |
| LABS (PWIS) conformity | VDMA24364-B1/B2-L | Air quality class at the output | Compressed air as per ISO 8573-1:2010 [7:4:4] Inert gas |
| Temperature of medium | -10°C 60°C | Ambient temperature | -10°C 60°C |
| Product weight | 126g | Type of mounting | Line installation |
| Pneumatic connection 1 | G3/8 | Pneumatic connection 2 | G3/8 |
| Note on materials | RoHS-compliant | Seals material | NBR |
| Housing material | Die-cast aluminum | Manufacturer ID | 165078 |
Specifications may be subject to change without notice
