
Key Features
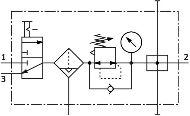
- 1Ensure clean air with a 40µm filter in the LFR-1/2-D-MAXI-KB-A. 2、Maintain efficiency using the automatic condensate drain. 3、Adjust pressure from 0.5 to 12 bar for precise control. 4、Rely on robust die-cast zinc housing for durability. 5、Integrate easily with G1/2 ports and ±5° mounting.
Technical Specifications
Detailed engineering parameters
| Parameter | Value | Parameter | Value |
|---|---|---|---|
| Size | Maxi | Series | D |
| Actuator lock | Rotary knob with detent | Mounting position | Vertical +/- 5° |
| Grade of filtration | 40μm | Condensate drain | Fully automatic |
| Structural design | Branching module Shut off valve Filter regulator with pressure gauge | Max. condensate volume | 80ml |
| Bowl guard | Metal bowl guard | Symbol | 00991777 |
| Pressure gauge | with pressure gauge | Operating pressure | 29psi 174psi |
| Pressure regulation range MPa | 0.05MPa 1.2MPa | Pressure regulation range | 0.5bar 12bar |
| Pressure regulation range psi | 7.25psi 174psi | Max. pressure hysteresis | 1.45psi |
| Standard nominal flow rate | 8000l/min | Operating medium | Compressed air as per ISO 8573-1:2010 [-:-:-] Inert gas |
| Corrosion resistance class (CRC) | 2 - Moderate corrosion stress | LABS (PWIS) conformity | VDMA24364-B1/B2-L |
| Air quality class at the output | Compressed air as per ISO 8573-1:2010 [7:8:4] Inert gas | Temperature of medium | -10°C 60°C |
| Ambient temperature | -10°C 60°C | Product weight | 3300g |
| Type of mounting | Optionally: Line installation With accessories | Pneumatic connection 1 | G1/2 |
| Pneumatic connection 2 | G1/2 | Housing material | Die-cast zinc |
| Material of bowl | PC | Manufacturer ID | 186042 |
Specifications may be subject to change without notice
