
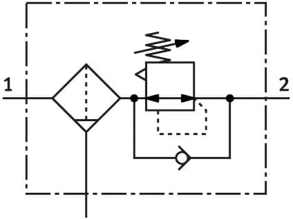
Key Features
- 1Ensure clean air with 40 µm filtration for reliable operations. 2、Integrate easily with maxi size and +/-5° vertical mounting. 3、Secure operation using the metal bowl guard and locking rotary knob. 4、Minimize downtime via the fully automatic condensate drain feature. 5、Guarantee long-term reliability with 20 million cycle service life.
Technical Specifications
Detailed engineering parameters
| Parameter | Value | Parameter | Value |
|---|---|---|---|
| Size | Maxi | Series | D |
| Actuator lock | Rotary knob with detent | Mounting position | Vertical +/- 5° |
| Grade of filtration | 40μm | Condensate drain | Manually rotating |
| Structural design | Filter regulator without pressure gauge | Max. condensate volume | 79.968ml |
| Bowl guard | Metal bowl guard | Symbol | 00991590 |
| Pressure gauge | G1/4 prepared | Operating pressure | 0.951bar 16.547bar |
| Pressure regulation range | 0.476bar 7.239bar | Max. pressure hysteresis | 0.414bar |
| Standard nominal flow rate | 42266.95l/min | Operating medium | Compressed air as per ISO 8573-1:2010 [-:9:-] Inert gas |
| Corrosion resistance class (CRC) | 2 - Moderate corrosion stress | LABS (PWIS) conformity | VDMA24364-B1/B2-L |
| Storage temperature | -10°C 60°C | Air quality class at the output | Compressed air as per ISO 8573-1:2010 [7:8:4] Inert gas |
| Temperature of medium | -10°C 60°C | Ambient temperature | -10°C 60°C |
| Product weight | 1458.608g | Type of mounting | Optionally: Line installation With accessories |
| Note on materials | RoHS-compliant | Housing material | Die-cast zinc |
| Material of bowl | PC | Manufacturer ID | 546470 |
Specifications may be subject to change without notice
