ms6n-de-1/2-v110
Product ID:9505
Updated: 2026/5/18

Key Features
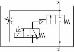
- 1Control pneumatic systems precisely with the 3/2-way MS6N-DE-1/2-V110 soft-start valve. 2、Ensure smooth operation using its slow pressurization and quick exhaust functions. 3、Switch between detenting and non-detenting manual overrides for flexible control. 4、Power the valve with versatile 110V AC or 24V DC supply voltages. 5、Deploy reliably in harsh conditions thanks to its IP65 protection rating.
Technical Specifications
Detailed engineering parameters
| Parameter | Value | Parameter | Value |
|---|---|---|---|
| Actuation type | Electrical | Mounting position | Any |
| Manual override | Detenting Non-detenting | Structural design | Piston seat |
| Reset method | Mechanical spring | Type of control | Pilot-controlled |
| Pilot air supply port | Internal | Flow direction | Non-reversible |
| Symbol | 00991501 | Valve function | 2/2 |
| Switching position indication | with accessories | Operating pressure | 4bar 18bar |
| b-value | 0.39 | C value | 28.97l/sbar |
| Standard nominal flow rate | 6450l/min | Duty cycle | 100% |
| Coil characteristics | 110 V AC: 50/60 Hz, initial power 3.0 VA, holding power 2.4 VA | Certification | c UL - Recognized (OL) |
| Operating medium | Compressed air as per ISO 8573-1:2010 [7:4:4] Inert gas | Information on operating and pilot media | Operation with oil lubrication possible (required for further use) |
| Corrosion resistance class (CRC) | 2 - Moderate corrosion stress | LABS (PWIS) conformity | VDMA24364-B1/B2-L |
| For use in the food industry | See supplementary material information | Temperature of medium | -10°C 60°C |
| Degree of protection | IP65 | Ambient temperature | -10°C 60°C |
| Product weight | 680g | Electrical connection | Form C Plug as per DIN EN 175301-803 Rectangular design |
| Signal status display | With accessories | Type of mounting | Optionally: Line installation With accessories |
| Pneumatic connection 1 | 1/2 NPT | Pneumatic connection 2 | 1/2 NPT |
| Note on materials | RoHS-compliant | Seals material | NBR |
| Housing material | Die-cast aluminum | Manufacturer ID | 532042 |
Specifications may be subject to change without notice
