vabf-s1-1-r7c2-c-6
Product ID:11313
Updated: 2026/5/19

Key Features
- 1Handle high-pressure applications from 0.05 to 0.6 MPa. 2、Ensure robust construction per ISO 5599-1 standard. 3、Maintain constant outlet pressure for consistent performance. 4、Operate with oil-lubricated air per ISO 8573-1:2010. 5、Protect against harsh conditions with IP65/NEMA 4 rating.
Technical Specifications
Detailed engineering parameters
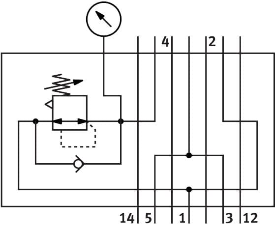
| Parameter | Value | Parameter | Value |
|---|---|---|---|
| Width | 42mm | Based on norm | ISO 5599-1 |
| Mounting position | Any | Pneumatic vertical stacking | Pressure regulator for 4 reversible |
| Controller function | Outlet pressure constant With secondary exhausting | Symbol | 00991945 |
| Optional pressure gauge | Possible | Pressure regulation range MPa | 0.05MPa 0.6MPa |
| Pressure regulation range | 0.5bar 6bar | Pressure regulation range psi | 7.25psi 87psi |
| Inlet pressure 1 | 0.5bar 10bar | Inlet pressure 1 MPa | 0.05MPa 1MPa |
| Inlet pressure 1 psi | 7.25psi 145psi | Operating medium | Compressed air as per ISO 8573-1:2010 [7:4:4] |
| Information on operating and pilot media | Operation with oil lubrication possible (required for further use) | Corrosion resistance class (CRC) | 0 - No corrosion stress |
| LABS (PWIS) conformity | VDMA24364-B1/B2-L | Degree of protection | IP65 NEMA 4 |
| Ambient temperature | -5°C 50°C | Product weight | 640g |
| Vertical stacking mounting type | On manifold sub-base On individual sub-base | Pressure gauge connection | With retaining clamp |
| Note on materials | RoHS-compliant | Material of operator panel | PA |
| Controller housing material | Die-cast aluminum | Manufacturer ID | 546829 |
Specifications may be subject to change without notice
