vabf-s2-1-r6c2-c-6
Product ID:11315
Updated: 2026/5/19

Key Features
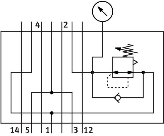
- 1Provide constant outlet pressure for consistent pneumatic system performance. 2、Suit reversible applications to enhance operational versatility. 3、Handle diverse needs with a 0.5 to 6 bar regulation range. 4、Operate with ISO 8573-1:2010 compressed air and lubricated operation. 5、Ensure durability with corrosion-resistant die-cast aluminum housing.
Technical Specifications
Detailed engineering parameters
| Parameter | Value | Parameter | Value |
|---|---|---|---|
| Width | 42mm | Based on norm | ISO 5599-2 |
| Mounting position | Any | Pneumatic vertical stacking | Pressure regulator for 2 reversible |
| Controller function | Outlet pressure constant With secondary exhausting | Symbol | 00991946 |
| Optional pressure gauge | Possible | Pressure regulation range MPa | 0.05MPa 0.6MPa |
| Pressure regulation range | 0.5bar 6bar | Pressure regulation range psi | 7.25psi 87psi |
| Inlet pressure 1 | 0.5bar 10bar | Inlet pressure 1 MPa | 0.05MPa 1MPa |
| Inlet pressure 1 psi | 7.25psi 145psi | Operating medium | Compressed air as per ISO 8573-1:2010 [7:4:4] |
| Information on operating and pilot media | Operation with oil lubrication possible (required for further use) | Corrosion resistance class (CRC) | 0 - No corrosion stress |
| LABS (PWIS) conformity | VDMA24364-B1/B2-L | Degree of protection | IP65 NEMA 4 |
| Ambient temperature | -5°C 50°C | Product weight | 640g |
| Vertical stacking mounting type | On manifold sub-base On individual sub-base | Pressure gauge connection | With retaining clamp |
| Material of operator panel | PA | Controller housing material | Die-cast aluminum |
| Manufacturer ID | 546831 |
Specifications may be subject to change without notice
