vabf-s6-1-p5a4-g12-4-1
Product ID:12727
Updated: 2026/4/4

Key Features
- 1Ensure smooth valve operation with a soft start function. 2、Withstand vibration per FN 942017-4 and EN 60068-2-6. 3、Resist shock according to FN 942017-5 and EN 60068-2-27. 4、Operate with ISO 8573-1:2010 [7:4:4] compressed air. 5、Enhance reliability using a robust mechanical spring return design.
Technical Specifications
Detailed engineering parameters
| Parameter | Value | Parameter | Value |
|---|---|---|---|
| Max. positive test pulse with 0 signal | 2500μs | Max. negative test pulse on 1 signal | 1400μs |
| Vibration resistance | Transport application test with severity level 2 as per FN 942017-4 and EN 60068-2-6 | Shock resistance | Shock test with severity level 2 as per FN 942017-5 and EN 60068-2-27 |
| Based on norm | ISO 5599-2 | Actuation type | Electrical |
| Sealing principle | Soft | Mounting position | Any |
| Manual override | Detenting Self-resetting via electrical control signal | Structural design | Piston gate valve |
| Reset method | Mechanical spring | Type of control | Pilot-controlled |
| Pilot air supply port | Internal | Flow direction | Non-reversible |
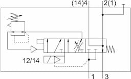
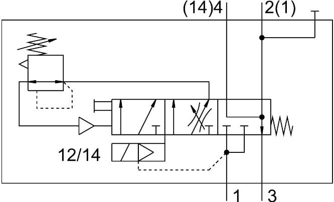
| Symbol | 00995781 | Valve function | Pressure build-up function |
| Note on forced dynamization | Switching frequency at least once a month | Operating pressure | 2bar 12bar |
| Switchover pressure presetting | 4bar | Standard nominal flow rate pressurization | 3000l/min |
| Standard nominal flow rate exhaust air | 3300l/min | Nominal operating voltage DC | 24V |
| Coil characteristics | 24 V DC: 2.5 W | Permissible voltage fluctuations | +/- 10 % |
| Operating medium | Compressed air as per ISO 8573-1:2010 [7:4:4] | Information on operating and pilot media | Operation with oil lubrication possible (required for further use) |
| Corrosion resistance class (CRC) | 0 - No corrosion stress | LABS (PWIS) conformity | VDMA24364-B1/B2-L |
| Degree of protection | IP65 NEMA 4 | Ambient temperature | -5°C 50°C |
| Product weight | 590g | Electrical connection | Form C Plug as per EN 175301-803 Rectangular design |
| Type of mounting | On sub-base | Pilot air port 12/14 | Sub-base, size 1 as per ISO 5599-2 |
| Pneumatic connection 1 | Sub-base, size 1 as per ISO 5599-2 | Pneumatic connection 2 | Sub-base, size 1 as per ISO 5599-2 |
| Pneumatic connection 3 | G1/2 | Pneumatic connection 4 | Sub-base, size 1 as per ISO 5599-2 |
| Note on materials | RoHS-compliant | Seals material | HNBR NBR |
| Housing material | Wrought aluminum alloy | Material of screws | Steel Galvanized |
| Manufacturer ID | 558230 |
Specifications may be subject to change without notice
