vppl-3l-3-g14-0l40h-v1-v-s1-7
Product ID:4574
Updated: 2026/5/18

Key Features
- 1Regulate pressure precisely with a 0-5 MPa operating range. 2、Ensure reliable sealing and low energy use via electrical actuation. 3、Maintain accuracy with a maximum 0.3 bar pressure hysteresis. 4、Monitor status easily with the integrated LED display. 5、Install flexibly in vertical or other mounting positions.
Technical Specifications
Detailed engineering parameters
| Parameter | Value | Parameter | Value |
|---|---|---|---|
| Nominal width pressurization | 3mm | Exhaust nominal width | 3mm |
| Actuation type | Electrical | Sealing principle | Soft |
| Mounting position | Any Preferably upright | Structural design | Directly controlled piston regulator |
| Short-circuit protection | no | Max. cable length | 30 m |
| Safety instructions | VPPL safety position: if the power supply cable breaks, the outlet pressure will drop to 0 bar. | Symbol | 00991479 |
| Reverse polarity protection | for all electrical connections | Reset method | Mechanical spring |
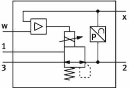
| Type of control | Direct | Valve function | 3-way proportional pressure control valve closed |
| Display type | LED display | Operating pressure | 50bar |
| Pressure regulation range MPa | 0.04MPa 4MPa | Pressure regulation range | 0.4bar 40bar |
| Inlet pressure 1 | 0bar 50bar | Inlet pressure 1 MPa | 0MPa 5MPa |
| Max. pressure hysteresis | 5.8psi | b-value | 0.25 |
| C value | 0.8l/sbar | Standard nominal flow rate | 245l/min |
| Standard nominal flow rate 2-3 | 282l/min | Switching time off | 654ms |
| On switching time | 428ms | DC operating voltage range | 21.6V 27.6V |
| Duty cycle | 100% | Max. electrical power consumption | 26.7W |
| Residual ripple | 10 % | Analog output signal range | 0 - 10 V |
| Analog input signal range | 0 - 10 V | Setpoint/actual values | Voltage type 0 - 10 V |
| Operating medium | Compressed air as per ISO 8573-1:2010 [7:4:4] Inert gas | Information on operating and pilot media | Operation with oil lubrication not possible |
| Certification | c UL us - Listed (OL) | KC characters | KC EMC |
| CE marking (see declaration of conformity) | As per EU EMC directive | UKCA marking (see declaration of conformity) | To UK instructions for EMC |
| Corrosion resistance class (CRC) | 2 - Moderate corrosion stress | LABS (PWIS) conformity | VDMA24364 zone III |
| Temperature of medium | 5°C 50°C | Degree of protection | IP65 |
| Ambient temperature | 5°C 50°C | Storage temperature | -10°C 60°C |
| Product weight | 1100g | Linearity error in ± % FS | 1%FS |
| Overall accuracy | 1.5 %FS | Temperature coefficient | 0.04%/K |
| Repetition accuracy in ± %FS | 1%FS | Electrical connection, diagnostic interface | Socket, M12, 5-pin, A-coded |
| Electrical connection IN | Plug, M12, 5-pin, A-coded | Electrical connection OUT | Plug, M12, 5-pin, A-coded |
| Type of mounting | With through-hole | Pneumatic connection 1 | G1/4 |
| Pneumatic connection 2 | G? | Pneumatic connection 3 | G1/4 |
| Note on materials | RoHS-compliant | Housing material | Wrought aluminum alloy, anodized |
| Manufacturer ID | 1635980 |
Specifications may be subject to change without notice
