
Festo
Industrial Automation Manufacturer
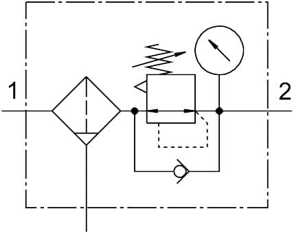
Compressed air preparationClassic
Browse our collection of Classic products from Festo, designed for reliable performance in industrial automation applications. All products are genuine with manufacturer warranty.
753+
Total Products
100%
Genuine Products
Global
Worldwide Shipping
Manufacturers(1)
FestoCategories(10)
Compressed air preparationSubcategories(14)
ClassicActive Filters:FestoCompressed air preparationClassic
Can't find what you're looking for?
Our technical experts can help you find the right industrial equipment. Contact us for personalized assistance.
Classic
753 products available









